电话:021-62522001
作者:黑金刚电容 发布时间:2020-07-31 11:40:26 访问量:8248 来源:NCC电容
螺丝端子型铝电解电容器 RWX系列
● RWF系列的高容量化。
●保证寿命85℃ 5,000小时。
●最适合于UPS设备和伺服压力机等重视容量性能的用途。
◆规格表

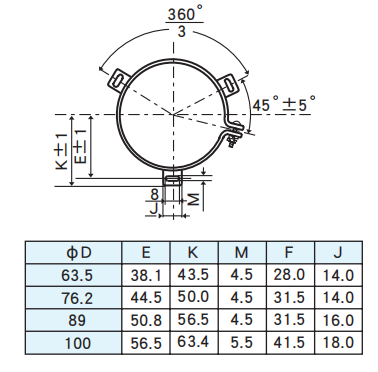
◆尺寸图 (CE331 形)[mm]
●端子代码:LG

●绑带代码:B

●绑带代码:C:标准

<端子螺丝规格>
~φ89 十字六角长螺丝 M5×0.8×10 φ100 十字圆型小螺丝 M8×1.25×16
螺丝拧紧最大容许转距 3.23N·m 弹簧垫圈 平垫圈
螺丝拧紧最大容许转距 6.31N·m
(注1) 端子螺丝及安装绑带分批交货为标准规格。
◆产品型号体系

产品型号代码的详细介绍请参考「产品型号的表示方法 (螺丝端子型)」。
◆标准品一览表


◆额定纹波电流频率修正系数
纹波频率与标准品一览表的规定值相异时,请使用小于乘以下表系数所得之值的值。
●频率修正系数

※ 铝电解电容器由于在纹波电流叠加时自我发热、温度上升而老化,每升温 5 ~ 10℃寿命减少一半。
要想保持长寿命请在使用过程中降低纹波电流。 此外, 额定电压的 80% 以上到额定电压范围内可通过降低电压延长寿命。
相关资讯推荐:
声明:本文由樱拓贸易收集整理关于 黑金刚电容相关的《螺丝端子型铝电解电容器 RWX系列》,如转载请保留链接:http://m.i89j.cn/news_in/573。