电话:021-62522001
作者:NIPPON CHEMI-CON 发布时间:2020-07-31 14:58:38 访问量:8855 来源:黑金刚电容
黑金刚电容贴片型导电性高分子混合型铝电解电容器 HXJ系列介绍
●通过采用混合型电解质,提升了可靠性。
●保证125℃ 4,000小时 (叠加纹波电流)。
●额定电压范围:16~63Vdc、静电容量范围:56~820 μF。
●最适合用于高温?高可靠性用途 (例如汽车电子零部件、通信基站电源等)。
●无卤对应品。
●符合AEC-Q200。详情请另行咨询。
◆规格表

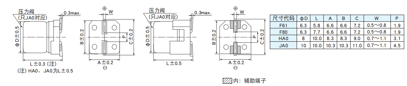
◆尺寸图[mm]
●端子代码 :A ●端子代码 :G (耐振构造)
●尺寸代码:F61~JA0 ● 尺寸代码:HA0~JA0 (带辅助端子)

◆产品型号体系

产品型号代码的详细介绍请参考「产品型号的表示方法 (导电性高分子混合型)」。
◆标示
标示例 35V330μF

●额定电压的产品标示

◆标准品一览表

□内为端子代码。
◆额定纹波电流频率修正系数
纹波频率与标准品一览表的规定值相异时、请使用小于乘以下表系数所得之值的值。
●频率修正系数

相关资讯推荐:
声明:本文由樱拓贸易收集整理关于 黑金刚电容相关的《黑金刚电容贴片型导电性高分子混合型铝电解电容器 HXJ系列介绍》,如转载请保留链接:http://m.i89j.cn/news_in/574。