电话:021-62522001
作者:黑金刚电容 发布时间:2020-08-05 11:27:45 访问量:8565 来源:NIPPON CHEMI-CON
黑金刚电容贴片型铝电解电容器 MZL系列
●低ESR、保证105℃5,000小时。
●额定电压:6.3~50V。
●静电容量:100~1,500μF。
●可对应耐振构造产品。
●符合AEC-Q200。详情请另行咨询。
◆规格表

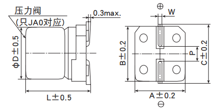
◆尺寸图 (CE32形)[mm]
●端子代码:A

●端子代码:G (耐振构造)


◆标示

●产品的额定电压标示

注:施加超过浪涌电压的电压 , 不仅会造成寿命变短 , 也有发生短路的情况。请检讨不要超过额定电压及上述浪涌电压条件的?;さ缏贰?/span>
◆产品型号体系

产品型号代码的详细介绍请参考「产品型号的表示方法 ( 贴片型 )」。
◆标准品一览表

□内为端子代码。
◆额定纹波电流频率修正系数
纹波频率与标准品一览表的规定值相异时,请使用小于乘以下表系数所得之值的值
●频率修正系数

※铝电解电容器由于在纹波电流叠加时自我发热,温度上升而老化, 每升温5℃寿命减少一半。 要想保持长寿命请在使用过程中降低纹波电流。
上海樱拓贸易有限公司是一家主要从事电子元器件代理销售和技术支持的专业公司,其中是日本NIPPON CHEMI-CON(NCC电容|黑金刚电容)中国区总代理。
相关资讯推荐:
声明:本文由樱拓贸易收集整理关于 黑金刚电容相关的《黑金刚电容贴片型铝电解电容器 MZL系列》,如转载请保留链接:http://m.i89j.cn/news_in/585。
下一篇:介绍黑金钢电解电容的特点和用处