电话:021-62522001
作者:黑金刚电容 发布时间:2020-08-06 14:41:11 访问量:8383 来源:NIPPON CHEMI-CON
黑金刚电容超级电容器 DXE系列
● 最适合用于电力储存·电池辅助·短时间备用等。
● 还最适合于车载用途(能源再生、峰值功率辅助)。
● 垂直、水平安装均可
◆规格表

◆产品一览表
● DXE系列

*1 参考值
*2 本品中记载的能源存储容量(Wh)是根据“电气及电子机器用双电层电容器的运输相关指南(JEITA)”计算得出。
*3 可水平安装产品
◆产品型号体系

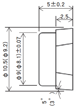
◆尺寸图 [mm]



端子详细尺寸


(?。┪怪薄⑺桨沧熬刹返某叽?/span>
<端子螺丝规格>
十字六角长螺丝:M5×0.8×10
螺丝紧固最大容许扭矩:3.23Nm
◆容量和内部电阻的温度特性


◆70℃高温负荷试验


上海樱拓贸易有限公司是一家主要从事电子元器件代理销售和技术支持的专业公司,其中是日本NIPPON CHEMI-CON(NCC电容|黑金刚电容)中国区总代理。
相关资讯推荐:
声明:本文由樱拓贸易收集整理关于 黑金刚电容相关的《[黑金刚电容]超级电容器 DXE系列》,如转载请保留链接:http://m.i89j.cn/news_in/589。
上一篇:贴片型铝电解电容器 MZJ系列
下一篇:介绍黑金钢电解电容的特点和用处