电话:021-62522001
作者:黑金刚电容 发布时间:2020-08-17 10:59:37 访问量:8407 来源:樱拓贸易
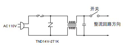
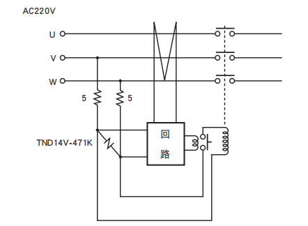
陶瓷压敏电阻的使用回路案例如下:
(1)TV电源回路(Power Source Circuit)

(2)家电用保护设备(Micro Computer Equipment)

(3)自动售货机(Vending Machine)

(4)漏电流断路器(Leakage Current Detecter)

(5)马达电磁开关(Magnetic Brake)

(6)20kW马达控制回路(Control of 20kW DC Motor)

(7)电话机(Telephone)

上海樱拓贸易有限公司成立于2006年,已荣获国内外众多知名品牌电子元器件厂商的授权代理资质。公司代理的各类被动、主动电子元器件产品,广泛应用于汽车电子、通信网络、新能源、家电、电源、照明、安防、工控、智能三表、消费电子、轨道交通、军工、物联网等先进制造领域。樱拓贸易是日本NIPPON CHEMI-CON总代理。
相关资讯推荐:
声明:本文由樱拓贸易收集整理关于 黑金刚电容相关的《黑金刚电容陶瓷压敏电阻的使用回路案例》,如转载请保留链接:http://m.i89j.cn/news_in/605。
下一篇:介绍黑金钢电解电容的特点和用处